
GZ系列電磁振動給料機把塊狀、顆粒狀及粉狀物料,從貯料倉庫或漏斗中均勻連續或定量的給到受料裝置中可無級調節給料量,并實現生產流程的集中控制和自動控制。 其體積小、重量輕、安裝方便、無轉動部件、不需潤滑、維修方便、工作效率高、消耗電能少。廣泛應用于礦山、冶金、煤炭、輕工、化工、電力、機械、食品等行 業。

主要技術參數:
|
類型 |
型號 |
生產率≤T/h |
給料粒度 |
雙振幅 |
供電電壓 |
電流A |
功率 |
配套控制 |
重量 |
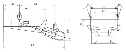
外形尺寸(mm) |
|||||||||
|
基 |
水平0° |
-10° |
工作電流 |
表示電流 |
L1 |
L2 |
L3 |
L4 |
H1 |
H2 |
B1 |
B2 |
|||||||
|
GZ0 |
5 |
7 |
50 |
1.75 |
220 |
1.34 |
1 |
0.06 |
XK35 |
75 |
910 |
600 |
200 |
550 |
100 |
360 |
200 |
230 |
|
|
GZ1 |
10 |
14 |
50 |
3.0 |
2.3 |
0.15 |
146 |
1175 |
800 |
310 |
660 |
120 |
450 |
300 |
388 |
||||
|
GZ2 |
20 |
35 |
75 |
4.58 |
3.8 |
0.25 |
217 |
1325 |
900 |
311 |
790 |
150 |
520 |
400 |
496 |
||||
|
GZ3 |
30 |
50 |
85 |
6.8 |
5.5 |
0.35 |
300 |
1460 |
1000 |
350 |
870 |
175 |
580 |
450 |
550 |
||||
|
GZ4 |
50 |
70 |
100 |
8.4 |
7 |
0.45 |
412 |
1615 |
1100 |
413 |
960 |
200 |
645 |
500 |
620 |
||||
|
GZ5 |
80 |
140 |
150 |
12.7 |
10.6 |
0.65 |
656 |
1815 |
1200 |
465 |
1050 |
250 |
765 |
700 |
850 |
||||


主要技術參數:
|
類型 |
型號 |
生產率≤T/h |
給料粒度 |
雙振幅 |
供電電壓 |
電流A |
功率 |
配套控制 |
重量 |
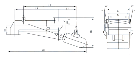
外形尺寸(mm) |
|||||||||
|
密 |
水平0° |
-10° |
工作電流 |
表示電流 |
L1 |
L2 |
L3 |
L4 |
H1 |
H2 |
B1 |
B2 |
|||||||
|
GZ0F |
4 |
5.6 |
40 |
1.75 |
220 |
1.34 |
1 |
0.06 |
XK35 |
77 |
264 |
716 |
1064 |
600 |
107.5 |
410 |
200 |
250 |
|
|
GZ1F |
8 |
11.2 |
40 |
3.0 |
2.3 |
0.15 |
154 |
288 |
903 |
1420 |
800 |
135 |
520 |
300 |
353 |
||||
|
GZ2F |
20 |
28 |
60 |
4.58 |
3.8 |
0.2 |
246 |
300 |
1082 |
1695 |
1000 |
170 |
620 |
400 |
461 |
||||
|
GZ3F |
30 |
40 |
50 |
6.8 |
5.5 |
0.35 |
320 |
360 |
1150 |
1810 |
1050 |
190 |
680 |
450 |
510 |
||||
|
GZ4F |
40 |
56 |
60 |
6.8 |
7 |
0.45 |
360 |
451 |
1306 |
1940 |
1100 |
207.5 |
750 |
500 |
574 |
||||
|
GZ5F |
80 |
112 |
80 |
12.7 |
10.6 |
0.65 |
668 |
528 |
1483 |
2190 |
1200 |
255 |
890 |
700 |
784 |
||||


